● 精度高,抗偏置负载能力强;
● 易于安装,IP66;
● 接受自定义规范;
● 机械臂的精密控制、表面研磨和抛光、加工中心的精密加工、医疗器械的精密测试。;
● 应用领域:汽车装配、自动化装配、3C产品检测、新能源产品装配、医疗检测、机器人、模具装配等工业检测、测量和控制系统。

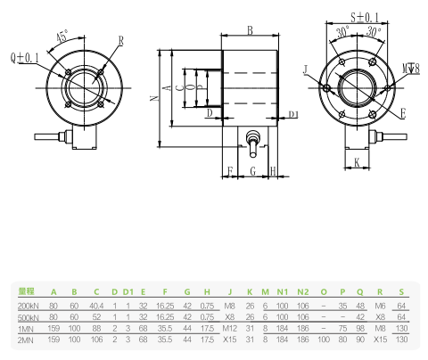
| 额定范围 | 请参考表格 | 绝缘电阻 | ≥2000米Ω/50VDC |
| 输出灵敏度 | 2±10%mV/V | 励磁电压 | 5-12V |
零输出 | ±0.05mV/V | 最大励磁电压 | 15伏 |
| 非线性 | 0.5%F.S。 | 温度补偿范围 | -10-40℃ |
| 滞后误差 | 0.5%F.S。 | 工作温度范围 | -20-60℃ |
| 可重复性 | 0.5%F.S。 | 安全过载 | 150%F。S |
| 蠕变(30分钟) | 0.5%F.S。 | 极限过载 | 200%F。S |
| 灵敏度漂移温度系数 | 0.05%F.S./10℃ | 电缆线尺寸 | φ6-4000毫米 |
零点温度漂移 | 0.05%F.S./10℃ | 保护 | IP67 |
| 输入电阻 | 380±20Ω | 输出电阻 | 350±10Ω |
力的方向 | 接线方法 |
![]() | ![]() |