● 用于拆卸紧固件的销轴传感器。
● 由不锈钢/合金钢材料制成。
● 外形尺寸小,操作安装方便。
● 应用领域:汽车装配、自动化装配、3C产品检测、新能源产品装配、医疗检测、机器人、模具装配等工业检测、测量和控制系统。

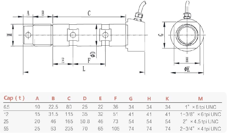
| 额定范围 | 6.5,12,25,55t | 绝缘电阻 | ≥5000 MΩ/100VDC |
| 体贴 | 1.2~1.5 mV/V | 励磁电压 | 5~15伏 |
| 零点平衡 | ±0.03%mV/V | 最大励磁电压 | 20伏 |
| 非线性 | 0.5%F.S。 | 温度补偿范围 | -10〜60℃ |
| 滞后误差 | 0.2%F.S。 | 工作温度范围 | -20〜80℃ |
| 可重复性 | 0.1%F.S。 | 安全负载 | 150%F.S。 |
| 蠕变(30分钟) | 0.1%F.S。 | 破坏载荷 | 200%F.S。 |
| 灵敏度漂移温度系数 | 0.05%F.S./10℃ | 电缆线尺寸 | φ4×4000毫米 |
| 零点漂移温度系数 | 0.05%F.S./10℃ | 单位重量 | 0.3千克 |
| 输入电阻 | 750±20Ω | 布料 | 不锈钢 |
| 输出电阻 | 700±10Ω | 保护 | IP67 |
力的方向 | 接线方法 |
![]() | ![]() |