● 体积小,结构紧凑。
● 精度高,抗偏心负载能力强。
● 机械臂的精确控制,曲面研磨和抛光,加工中心的精密雕刻,医疗设备的精确测试。
● 应用领域:汽车装配、自动化装配、3C产品检测、新能源产品装配、医疗检测、机器人、模具装配等工业检测、测量和控制系统。

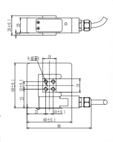
| 额定范围 | Fx=100kg,Fy=100kg,Fz=100kg | 绝缘电阻 | ≥5000米Ω/100VDC |
| 输出灵敏度 | ≈1.0mV/V | 励磁电压 | 5伏 |
零输出 | ±2%mV/V | 最大励磁电压 | 15伏 |
| 非线性 | 0.05%F.S。 | 温度补偿范围 | -10-40℃ |
| 滞后误差 | 0.05%F.S。 | 工作温度范围 | -20-60℃ |
| 可重复性 | 0.05%F.S。 | 安全过载 | 120%F。S |
| 蠕变(30分钟) | 0.1%F.S。 | 极限过载 | 150%F。S |
| 灵敏度漂移温度系数 | 0.05%F.S。/10℃ | 电缆线尺寸 | φ6×8000毫米 |
零点温度漂移 | 0.05%F.S。/10℃ | 保护 | IP67 |
| 输入电阻 | 380±20Ω | 输出电阻 | 350±10Ω |
力的方向 | 接线方法 |
![]() | ![]() |