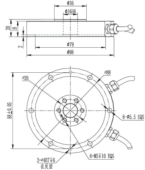
● 压缩-扭转复合力传感器。
● 两个信号之间的低串扰误差。
● 高度低,易于安装。
● 可定制的规格。
● 应用于汽车冲压、自动化装配、3C产品检测、新能源产品装配、医疗检测、机器人、模具装配等工业检测、测量和控制系统。
● 应用领域:汽车装配、自动化装配、3C产品检测、新能源产品装配、医疗检测、机器人、模具装配等工业检测、测量和控制系统。

| 额定范围 | F: 20/30/50/100/200 /500/1000/2000 N M: 1/2/3/5/10/20/30/50 N.M | 绝缘电阻 | ≥5000 MΩ/100VDC |
| 体贴 | 1.0±10%mV/V | 励磁电压 | 5〜15伏 |
| 零点平衡 | ±2%F.S。 | 最大励磁电压 | 20伏 |
| 非线性 | 0.1%F.S。 | 温度补偿范围 | -10~40℃ |
| 滞后误差 | 0.1%F.S。 | 工作温度范围 | -20~75℃ |
| 可重复性 | 0.1%F.S。 | 安全负载(E L) | 150%F.S。 |
| 串扰错误 | 0.2%F.S。 | 破坏载荷(E d) | 200%F.S。 |
| 蠕变(30分钟) | 0.05%F.S。 | 电缆线尺寸 | Φ4×4000毫米 |
| 灵敏度漂移温度系数 | 0.05%F.S./10℃ | 布料 | |
| 零点漂移温度系数 | 0.05%F.S./10℃ | 单位重量(G) | 0.6千克 |
| 输入电阻 | 350±10 Ω | 保护 | IP66 |
| 输出电阻 | 350±10 Ω |
力的方向 | 接线方法 |
![]() | ![]() |